NOI NU MODIFICAM PRETURILE!!! TVA-ul a crescut la 21% începând cu 1 august 2025. Pe ledo.ro prețurile rămân neschimbate până la 31.12.2025. Poate și după această dată...

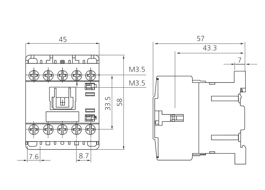
Omu System Contactor mini 6A cu 3 poli alimentare bobina 24V AC + 1 contact NO

Omu System
93,11 Lei
La comanda

Durata de livrare: 7 zile

Limita stoc
Adauga in cos
Cod Produs: PMC-6M/24 Ai nevoie de ajutor? +40744999356
Adauga la Favorite Cere informatii
  • Descriere
  • Review-uri (0)
Contactor mini 6A  alimentare bobina 24V AC + 1 contact NO normal deschis
- sarcină AC3 200-240V AC: 1,5kW, 7A
- sarcină AC3 380-440V AC: 2,2kW, 6A
 
Vezi mai mult Informatii conformitate produs
Daca doresti sa iti exprimi parerea despre acest produs poti adauga un review.

Review-ul a fost trimis cu succes.

Compara produse

Trebuie sa mai adaugi cel putin un produs pentru a compara produse.

A fost adaugat la favorite!

A fost sters din favorite!