NOI NU MODIFICAM PRETURILE!!! TVA-ul a crescut la 21% începând cu 1 august 2025. Pe ledo.ro prețurile rămân neschimbate până la 31.12.2025. Poate și după această dată...

KONCAR Comutator stea-triunghi 20A 5.5kW 3 poli pornire motor industrial cu came PACO rotativ IP40 48x48mm

KONCAR
213,90 Lei
1 In stoc

Durata de livrare: 3 zile

Limita stoc
Adauga in cos
Cod Produs: GN 20-12-U Ai nevoie de ajutor? +40744999356
Adauga la Favorite Cere informatii
  • Descriere
  • Review-uri (0)
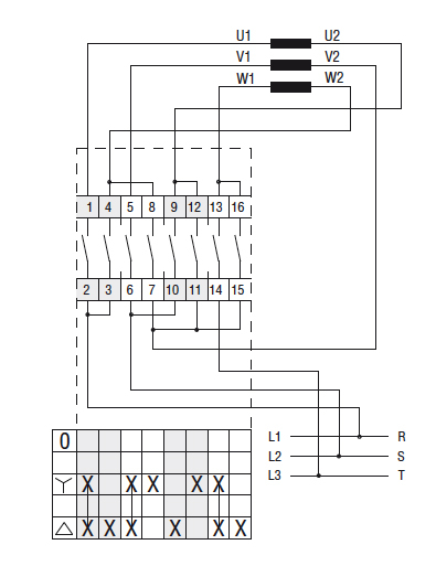
Comutator pornire motor stea-triunghi 20A 5.5kW 3 poli  industrial cu came PACO rotativ IP40 48x48mm 

•  Număr de poli: 3
• Curent de încărcare:20A
• Putere: 5.5 kW
• Dimensiunea panoului frontal: 48 x 48mm
• Dimensiunea maximă a firului solid conectabil cu urechi: 2.5 mm2
• Dimensiunea maximă a firului răsucit care poate fi conectat cu urechi: 2.5 mm2

Acest întrerupător cu came este proiectat pentru utilizarea în tablouri electrice și asigură întreruperea și conectarea sigură a circuitelor electrice. Are o capacitate de curent nominală de 20A și are clasificarea de protecție IP40, ceea ce îl face potrivit pentru protejarea împotriva particulelor solide cu diametrul mai mare de 1 mm.

Caracteristici:

  • Curent nominal: 20A
  • Clasă de protecție: IP40
  • Material: plastic
  • Funcție de comutare: pornire motor stea triunghi
  • Durabil și fiabil în utilizare

Aplicații:

  • Potrivit pentru utilizarea în tablouri electrice industriale si casnice
Vezi mai mult Informatii conformitate produs
Daca doresti sa iti exprimi parerea despre acest produs poti adauga un review.

Review-ul a fost trimis cu succes.

Compara produse

Trebuie sa mai adaugi cel putin un produs pentru a compara produse.

A fost adaugat la favorite!

A fost sters din favorite!