NOI NU MODIFICAM PRETURILE!!! TVA-ul a crescut la 21% începând cu 1 august 2025. Pe ledo.ro prețurile rămân neschimbate până la 31.12.2025. Poate și după această dată...

KONCAR Comutator stea-triunghi 40A 15kW 3 poli pornire motor industrial cu came PACO rotativ IP65 110x110mm

KONCAR
688,90 Lei
2 In stoc

Durata de livrare: 3 zile

Limita stoc
Adauga in cos
Cod Produs: GN 40-12-P Ai nevoie de ajutor? +40744999356
Adauga la Favorite Cere informatii
  • Descriere
  • Review-uri (0)
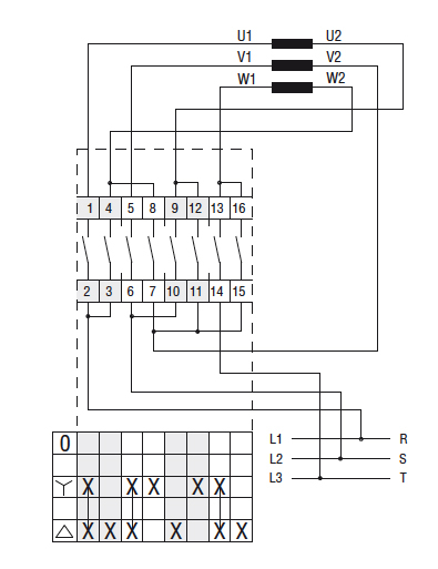
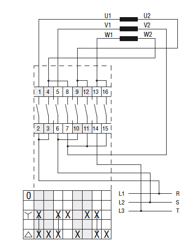
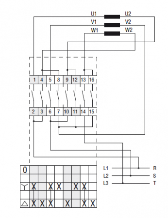
Comutator pornire motor stea-triunghi 40A 15kW 3 poli  industrial cu came PACO rotativ IP65 110x110mm 

•  Număr de poli: 3
• Curent de încărcare:40A
• Putere: 15 kW
• Dimensiunea panoului frontal: 110 x 110mm
• Dimensiunea maximă a firului solid conectabil cu urechi: 10 mm2
• Dimensiunea maximă a firului răsucit care poate fi conectat cu urechi: 6 mm2

Acest întrerupător cu came este proiectat pentru utilizarea în tablouri electrice și asigură întreruperea și conectarea sigură a circuitelor electrice. Are o capacitate de curent nominală de 40A și are clasificarea de protecție IP65, ceea ce îl face potrivit pentru protejarea împotriva particulelor solide cu diametrul mai mare de 1 mm si a stropilor de apa.

Caracteristici:

  • Curent nominal: 40A
  • Clasă de protecție: IP65
  • Material: plastic
  • Funcție de comutare: pornire motor stea triunghi
  • Durabil și fiabil în utilizare

Aplicații:

  • Potrivit pentru utilizarea în tablouri electrice industriale si casnice

Produse similare

Vezi mai mult Informatii conformitate produs
Daca doresti sa iti exprimi parerea despre acest produs poti adauga un review.

Review-ul a fost trimis cu succes.

Compara produse

Trebuie sa mai adaugi cel putin un produs pentru a compara produse.

A fost adaugat la favorite!

A fost sters din favorite!