Omu System Comutator sursa 3x100A 3 poli 100A 1-0-2 rotativ modular montare pe sina

Omu System
877,15 Lei
1 In stoc

Durata de livrare: 3 zile

Limita stoc
Adauga in cos
Cod Produs: SMD23100-4617 Ai nevoie de ajutor? +40744999356
Adauga la Favorite Cere informatii
  • Descriere
  • Review-uri (0)
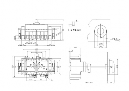
Comutator rotativ modular de schimbare a sursei 3x100A 3 poli 100A 1-0-2
• Tensiune nominală de izolație: 800V
• Capacitate de sarcină la impuls de tensiune: 8kV
• Durată de viață mecanică: 30.000 întreruperi
Întreruptoarele de deconectare modulare din seria SMD permit intreruperea si deconectarea echipamentului sub sarcina la joasa
tensiune la curent nominal de la 32 la 160 A.
Întreruptoarele de deconectare din seria SMD sunt utilizate în mod obișnuit pentru următoarele scopuri:
• intrerupător principal
• comutator pentru motoare
• întrerupător de siguranță
• deconectare
Caracteristici generale
• capacitate mare de rupere (AC 22 A - AC 23 A)
• contacte duble de rupere
• rezistență electrică și mecanică ridicată
• rezistent la caldura umeda
• Grad de protecție IP20 (cu accesoriu)
• funcționare modulară, montare pe șină DIN de 35 mm și prin șuruburi.
Poli (contacte)suplimentari :al patrulea pol comutat, neutru solid și pol de impământare.
 
Vezi mai mult Informatii conformitate produs
Daca doresti sa iti exprimi parerea despre acest produs poti adauga un review.

Review-ul a fost trimis cu succes.

Compara produse

Trebuie sa mai adaugi cel putin un produs pentru a compara produse.

A fost adaugat la favorite!

A fost sters din favorite!